描述
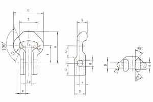
Maximum inner width: approx. 50 mm
Minimum inner width: approx. 18 mm
Hole diameter: approx. 17 mm
Material: 20Mn2, 25MnV
Color/Finish: Black paint finish


Maximum inner width: approx. 50 mm
Minimum inner width: approx. 18 mm
Hole diameter: approx. 17 mm
Material: 20Mn2, 25MnV
Color/Finish: Black paint finish
评价
目前还没有评价